電動二通球閥
詳情介紹
電動二通球閥

主要材質
| 部件名稱 | 材料說明 |
| 閥體 | 黃銅鍍鎳,304,316 |
| 閥球 | 黃銅鍍鉻,304,316 |
| 閥桿 | 黃銅,304,316 |
| 墊座 | PTFE |
| 密封件 | EPDM |
主要特點
1、體積小巧、適合小型設備
2、浮動密封結構、不易垢死,可用于長期無動作場合。
3、使用壽命標稱
4、運行電流低,可使用電池供電
5、防護等級IP67、F型可選*2
使用場合
1、節水器具(高校卡式節水系統)
2、替換普通電磁閥,尤其是電磁閥不能可靠工作的場合
3、預付費冷熱水表
4、環保、給排水、水處理工程
5、工業自控等小型設備

流量系數
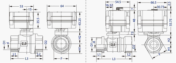
HX20全通徑型球閥連接尺寸 單位:mm
| 口徑 | D1/D2 | d | L1/L2 | L3 | F | H1 | H2 | W(kg) |
| DN8 | G1/4" | 8 | 11 | 43 | 17 | 11 | 18.25 | 0.26 |
| DN10 | G3/8" | 10 | 11.5 | 50 | 20 | 12.5 | 19.75 | 0.31 |
| DN15 | G1/2" | 15 | 13 | 57 | 27 | 16.5 | 21.25 | 0.37 |
| DN20 | G3/4" | 20 | 16 | 70 | 32 | 21.5 | 25.75 | 0.52 |
注:不帶支架時,總高度減去7mm。
HX20縮徑型球閥連接尺寸 單位:mm
| 口徑 | D1/D2 | d | L1/L2 | L3 | F | H1 | H2 | W(kg) |
| DN20 | G3/4" | 15 | 15 | 64.5 | 30 | 16.5 | 21.25 | 0.37 |
| DN25 | G1" | 20 | 18 | 76 | 38 | 21.5 | 24.75 | 0.52 |
| DN32 | G1-1/4" | 20 | 20 | 80 | 48 | 24 | 24.75 | 0.70 |
注:
1、非手動時的外形尺寸與手動時的外形尺寸一致,只是外觀略有不同(有無手輪是主要的區別)
2、HX20縮徑型球閥口徑DN32時只有黃銅材質可選。
注意事項:
*1此壽命是在壓力1.0Mpa、流量200L/h、介質為自來水的測試數據、不同的使用環境對壽命有影響。
*2在長期潮濕但無浸水危險場合選用F型。F型在閥門到位后不得斷電。
*3F型產品安裝時必須使排水孔朝向地面,并在使用前摘掉密封膠帽。